為磁簧式接近開關和磁簧接近傳感器提供的磁鐵型號選擇。
尺寸為 mm (1 mm = 0.0394 寸)
|
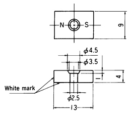
TG-0016 |
TG0043 |
 |
|
材料: Barium-Ferrite |
|
磁通密度: 270 ~ 440 高斯 |
|
磁化: 僅單面磁化,如上所示 |
|
 |
|
材料: Barium-Ferrite |
|
磁通密度: 280 ~ 380 高斯 |
|
磁化: 僅單面磁化,如上所示 |
|
|
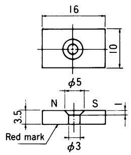
TG-0080 |
TG-0096 |
 |
|
材料: Barium-Ferrite |
|
磁通密度: 500 ~ 600 高斯 |
|
磁化: 完全磁化 |
|
 |
|
材料: Barium-Ferrite |
|
磁通密度: 300 ~ 380 高斯 |
|
磁化: 僅單面磁化,如上所示 |
|
|
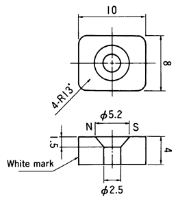
TG-0101 |
TG-0127 |
 |
|
材料: Barium-Ferrite |
|
磁通密度: 280 ~ 380 高斯 |
|
磁化: 僅單面磁化,如上所示 |
|
 |
|
材料: Barium-Ferrite |
|
磁通密度: 300 ~ 360 高斯 |
|
磁化: 僅單面磁化,如上所示 |
|
|
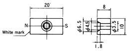
TG-0137 |
TG-0149 |
 |
|
材料: Barium-Ferrite |
|
磁通密度: 350 ~ 480 高斯 |
|
磁化: 僅單面磁化,如上所示 |
|
 |
|
材料: Barium-Ferrite |
|
磁通密度: 350 ~ 450 高斯 |
|
磁化: 僅單面磁化,如上所示 |
|
|
TG-0159 |
TG-0180 |
 |
|
材料: Barium-Ferrite |
|
磁通密度: 600 ~ 700 高斯 |
|
磁化: 僅單面磁化,如上所示 |
|
 |
|
材料: Barium-Ferrite |
|
磁通密度: 380 ~ 480 高斯 |
|
磁化: 僅單面磁化,如上所示 |
|
|
TG-0183 |
TG-0226 |
 |
|
材料: Barium-Ferrite |
|
磁通密度: 350 ~ 500 高斯 |
|
磁化: 僅單面磁化,如上所示 |
|
 |
|
材料: Barium-Ferrite |
|
磁通密度: 700 ~ 850 高斯 |
|
磁化: 完全磁化 |
|
|
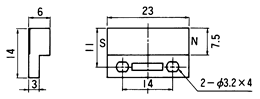
TG-0001 |
TG-0002 |
 |
|
材料: Alnico-5 |
|
磁通密度: 600 ~ 800 高斯 |
|
磁化: 完全磁化 |
|
 |
|
材料: Alnico-5 |
|
磁通密度: 600 ~ 800 高斯 |
|
磁化: 完全磁化 |
|
|
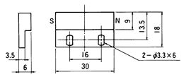
TG-0003 |
TG-0004 |
 |
|
材料: Alnico-5 |
|
磁通密度: 900 ~ 1200 高斯 |
|
磁化: 完全磁化 |
|
 |
|
材料: Alnico-5 |
|
磁通密度: 1000 ~ 1400 高斯 |
|
磁化: 完全磁化 |
|
|
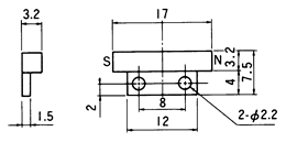
TG-0126 |
TG-0157 |
 |
|
材料: Alnico-5 |
|
磁通密度: 1300 ~ 1800 高斯 |
|
磁化: 完全磁化 |
|
 |
|
材料: Strontium-Ferrite |
|
磁通密度: 1300 ~ 1550 高斯 |
|
磁化: 完全磁化 |
|
|
TG-0191 |
TG-0230 |
 |
|
材料: Strontium-Ferrite |
|
磁通密度: 750 ~ 850 高斯 |
|
磁化: 僅單面磁化,如上所示 |
|
 |
|
材料: Strontium-Ferrite |
|
磁通密度: 1300 ~ 1600 高斯 |
|
磁化: 完全磁化 |
|
|
PS-3002 |
PS-6001 |
 |
|
* For PS-3150 |
|
|
|
材料: Barium-Ferrite |
|
磁通密度: 450 ~ 750 高斯 |
|
磁化: 完全磁化 |
|
 |
|
* For PS-6000 series |
|
|
|
材料: Alnico-5 |
|
磁通密度: 900 ~ 1200 高斯 |
|
磁化: 完全磁化 |
|
|
TZ-0046 |
TZ-0017 |
 |
|
* For PS-0048 |
|
|
|
材料: Alnico-5 |
|
磁通密度: 650 ~ 700 高斯 |
|
磁化: 完全磁化 |
|
 |
|
材料: Flexible-Magnet |
|
磁通密度: 500 ~ 700 高斯 |
|
磁化: 僅單面磁化,如上所示 |
|