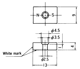
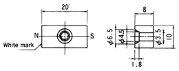
| TG-0016 |
TG0043 |
 |
| MATERIAL: Barium-Ferrite |
| MAGNETIC FLUX DENSITY: 270 ~ 440 Gauss |
| MAGNETIZATION: One side magnetized only as shown above |
|
 |
| MATERIAL: Barium-Ferrite |
| MAGNETIC FLUX DENSITY: 280 ~ 380 Gauss |
| MAGNETIZATION: One side magnetized only as shown above |
|
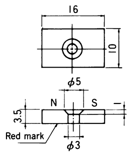
| TG-0080 |
TG-0096 |
 |
| MATERIAL: Barium-Ferrite |
| MAGNETIC FLUX DENSITY: 500 ~ 600 Gauss |
| MAGNETIZATION: Fully magnetized |
|
 |
| MATERIAL: Barium-Ferrite |
| MAGNETIC FLUX DENSITY: 300 ~ 380 Gauss |
| MAGNETIZATION: One side magnetized only as shown above |
|
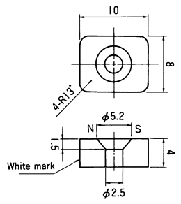
| TG-0101 |
TG-0127 |
 |
| MATERIAL: Barium-Ferrite |
| MAGNETIC FLUX DENSITY: 280 ~ 380 Gauss |
| MAGNETIZATION: One side magnetized only as shown above |
|
 |
| MATERIAL: Barium-Ferrite |
| MAGNETIC FLUX DENSITY: 300 ~ 360 Gauss |
| MAGNETIZATION: One side magnetized only as shown above |
|
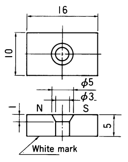
| TG-0137 |
TG-0149 |
 |
| MATERIAL: Barium-Ferrite |
| MAGNETIC FLUX DENSITY: 350 ~ 480 Gauss |
| MAGNETIZATION: One side magnetized only as shown above |
|
 |
| MATERIAL: Barium-Ferrite |
| MAGNETIC FLUX DENSITY: 350 ~ 450 Gauss |
| MAGNETIZATION: One side magnetized only as shown above |
|
| TG-0159 |
TG-0180 |
 |
| MATERIAL: Barium-Ferrite |
| MAGNETIC FLUX DENSITY: 600 ~ 700 Gauss |
| MAGNETIZATION: One side magnetized only as shown above |
|
 |
| MATERIAL: Barium-Ferrite |
| MAGNETIC FLUX DENSITY: 380 ~ 480 Gauss |
| MAGNETIZATION: One side magnetized only as shown above |
|
| TG-0183 |
TG-0226 |
 |
| MATERIAL: Barium-Ferrite |
| MAGNETIC FLUX DENSITY: 350 ~ 500 Gauss |
| MAGNETIZATION: One side magnetized only as shown above |
|
 |
| MATERIAL: Barium-Ferrite |
| MAGNETIC FLUX DENSITY: 700 ~ 850 Gauss |
| MAGNETIZATION: Fully magnetized |
|